BB贝博艾弗森原官方网站内部控制管理制度 ——预算绩效监控篇
BB贝博艾弗森原官方网站内部控制管理制度
——预算绩效监控篇
1..预算绩效监控控制目标
(1)预算绩效监控应遵循“双监控”的原则,绩效运行监控应该同时监控 预算执行情况和绩效目标实现情况。
(2)预算绩效监控应遵循“权责统一”的原则,绩效监控作为预算执行环 节的重要绩效管理活动,要按照“谁支出”“谁负责”的原则开展绩效运行监 控活动。
2.预算绩效监控流程
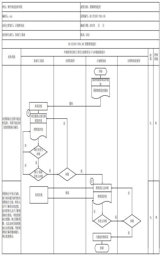
(1)流程描述
计划财务处接到地区财政局下发的绩效监控的工作通知后,由绩效岗通知 各项目组。
项目组接到通知后,安排项目联络人填写绩效监控表,经项目负责人、部 门/系部负责人依次审核通过后,报分管院领导审批。
分管院领导审批通过后,由计划财务处绩效岗汇总审核,同时与各项目组 核实项目进展情况,无误后,报计划财务负责人、分管财务院领导依次审核审 批。
审批通过后,由计划财务处上报地区财政局。
(2)流程图
4-4-9
(3)预算绩效监控业务流程控制表
4-4-10
终审:计财处

用户登录